






Product number
221410001
CAD
Show in 3D
The closed CKG slide rail for vertically or horizontally installed roller chains with external chain lock offers a large guide surface for the chain thanks to its shape. The two-part construction allows for easy installation, multiple mounting options, and flexible adaptation to your individual requirements. Choose this space- and cost-efficient guide rail, made from our high-quality Original "S"® green® or our recycled material "S" newCycle® green.
Thanks to precise manufacturing and the ability to customize dimensions and materials, it perfectly adapts to your requirements.
You can find suitable steel C profiles at the bottom of this page.
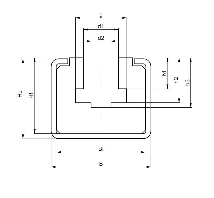
| Construction type | european | 
| B (mm) | 30.0 | 
| d2 (mm) | 4.0 | 
| g (mm) | 9.4 | 
| d1 (mm) | 6.6 | 
| h1 (mm) | 3.6 | 
| h2 (mm) | 7.0 | 
| h3 (mm) | 8.0 | 
| Bf (mm) | 27.0 | 
| Bf_C14H/C15V (mm) | 27.0 | 
| Hf (mm) | 22.5 | 
| Hf_C14H/C15V (mm) | 23.0 | 
| Hc (mm) | 24.0 | 
| B CKG C14H/C15V (mm) | 31.0 | 
| H CKG C14H/C15V (mm) | 25.0 | 
| L CKG C 14H (mm) | 47.0 | 
| L CKG C 15V (mm) | 53.0 | 
| Suitable C-profile type | C10 | 
| Suitable C-profile type | C14H | 
| Suitable C-profile type | C15V | 
| weight (kg) | 0.49 | 
Roller chain guide Type CKG
Durable cage guide type CKG for roller chains (suitable for steel C profile)
Compatible Chain
Material
Length (mm)
quick_reorder Delivery time: 4-5 working days
Show prices & order or request a quote?
Log in now to order directly or secure individual offers.
Product number
221410001
CAD
Show in 3D
The closed CKG slide rail for vertically or horizontally installed roller chains with external chain lock offers a large guide surface for the chain thanks to its shape. The two-part construction allows for easy installation, multiple mounting options, and flexible adaptation to your individual requirements. Choose this space- and cost-efficient guide rail, made from our high-quality Original "S"® green® or our recycled material "S" newCycle® green.
Thanks to precise manufacturing and the ability to customize dimensions and materials, it perfectly adapts to your requirements.
You can find suitable steel C profiles at the bottom of this page.
| Construction type | european | 
| B (mm) | 30.0 | 
| d2 (mm) | 4.0 | 
| g (mm) | 9.4 | 
| d1 (mm) | 6.6 | 
| h1 (mm) | 3.6 | 
| h2 (mm) | 7.0 | 
| h3 (mm) | 8.0 | 
| Bf (mm) | 27.0 | 
| Bf_C14H/C15V (mm) | 27.0 | 
| Hf (mm) | 22.5 | 
| Hf_C14H/C15V (mm) | 23.0 | 
| Hc (mm) | 24.0 | 
| B CKG C14H/C15V (mm) | 31.0 | 
| H CKG C14H/C15V (mm) | 25.0 | 
| L CKG C 14H (mm) | 47.0 | 
| L CKG C 15V (mm) | 53.0 | 
| Suitable C-profile type | C10 | 
| Suitable C-profile type | C14H | 
| Suitable C-profile type | C15V | 
| weight (kg) | 0.49 | 
Material or Product Information
Maxium choice.
Maximum availability.
Maximum effiency.
3 clicks to your products
24-hour express service
100% Made in Germany






