Wir liefern. Planungssicherheit für herausfordernde Zeiten. Unser Statement.

img-zubehör-spannsysteme.jpg
Gr.1.png

Hinweis: Das abgebildete Produkt dient nur zur Veranschaulichung.

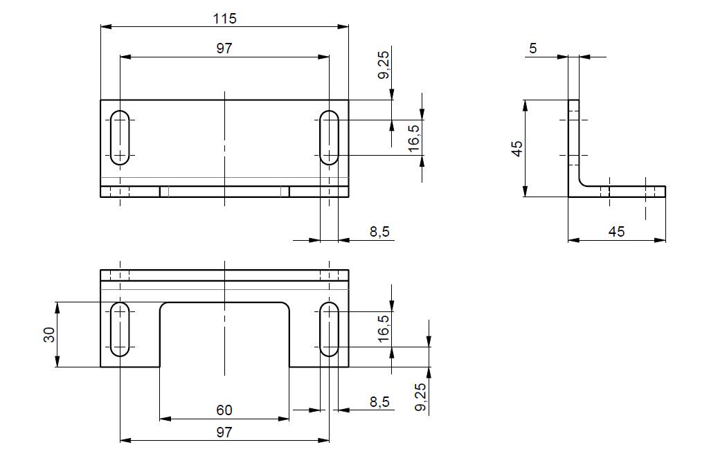
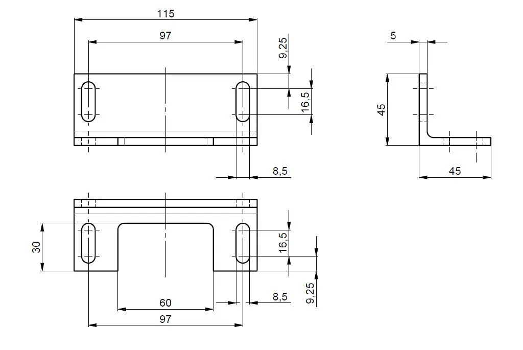
Befestigungswinkel

Montagehilfe für Spannsysteme

Spann-Box® Größe

Choose a Spann-Box® Größe

Werkstoff

Choose a Werkstoff
Edelstahl
Stahl, KTL-beschichtet

Nachstellmöglichkeit (mm)

Choose a Nachstellmöglichkeit (mm)
0.0 info
67.0
75.0 info
87.0 info

quick_reorder Versandfertig in: 1 Werktag

Preise anzeigen, bestellen oder Produkte anfragen?

Jetzt einloggen, um direkt zu bestellen oder individuelle Angebote zu sichern.

Artikelnummer

281090001

view_in_ar

CAD

In 3D anzeigen

Befestigungswinkel für Spannsysteme bieten zusätzliche Flexibilität bei der Anpassung und Justierung. Durch Langlochbohrungen lassen sich Spannsysteme bequem nachstellen, wenn der Standard-Spannweg ausgeschöpft ist. Fluchtungsfehler können durch seitliches Verschieben ausgeglichen werden. Unsere Produkte sind bereits mit passgenauen Bohrungen im Gehäuse für eine einfache Montage ausgestattet.

B1 (mm)115.0
H (mm)45.0
Länge (mm)45.0
Gewicht (kg)0.01

Maximale Auswahl.

Maximale Verfügbarkeit.

Maximale Effizienz.

<p class="text-xl"><span class="font-bold">3 Klicks zu Ihrem Produkt</span></p>

3 Klicks zu Ihrem Produkt

<p class="text-xl"><span class="font-bold">24h-Express-Service</span></p>

24h-Express-Service

<p class="text-xl"><span class="font-bold">100% Made in Germany</span></p>

100% Made in Germany